液体加热器

-
- 液体加热器
- shinnetsu
- 加热器
- 日本
- 现货
报价咨询:13962600488
产品详细介绍

概述
shinnetsu液体加热器,液体加热器”是一种直接用于水或油等液体中的加热器。提供插头和板式法兰规格。
特点
● 只需将其插入连接到容器的螺钉部分即可使用。
● 加热器更换工作顺利。
● 不需要特殊工具。
应用
用于水加热、油加热、润滑油加热、各种保温等。



shinnetsu液体加热器的标准规格
液体加热器(插头加热器)的标准规格
[PH型]
材质:加热器护套/SUS316L,插头/SUS316等效

□应用:水加热

□应用:油加热

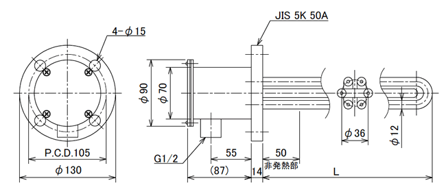
液体加热器(板式法兰加热器)的标准规格
[FH型(JIS5K 50A)]
材质:加热器护套/SUS316L,板法兰/SUS304

□应用:水加热

□应用:油加热

[FH型(JIS5K 65A)]
材质:加热器护套/SUS316L,板法兰/SUS304

□应用:水加热

□应用:油加热



